Resources to learn hardware hacking…
Intro to Hardware Hacking
- https://tryhackme.com/r/room/adventofcyber4 day 19, 20
Courses
- https://voidstarsec.com/blog/on-the-road https://voidstarsec.com/training.html
- https://learn.securinghardware.com/
- TCM Academy - https://academy.tcm-sec.com/p/beginner-s-guide-to-iot-and-hardware-hacking
- https://www.sans.org/cyber-security-courses/iot-penetration-testing/
- https://www.artresilia.com/iot-series-i-are-people-ready-to-go/
Reverse Engineering
- http://1585security.com/Firmware-Reversing-1/
- Getting started with RE with Ghidra https://class.malware.re/
Learn Ghidra
- https://hackaday.io/course/172292-introduction-to-reverse-engineering-with-ghidra
- https://wrongbaud.github.io/posts/ghidra-training/
Hardware Sims
- (Arduino, Rpi PICO) https://wokwi.com/
- Circuit sims https://store.steampowered.com/app/2198800/CRUMB_Circuit_Simulator/
YouTube Channels
- Matt Brown https://www.youtube.com/@mattbrwn
- Andrew Bellini - Hacking a Smart Camera - short series https://www.youtube.com/shorts/LgurdIN1KW0
OWASP IoT Security Testing Guide
IoT Ecosystem Testing Methodology
MITRE - EMB3D Cybersecurity Threat Model for Embedded Devices
Arduino
- Arduino Thing
- UART on arduino https://www.circuitbasics.com/how-to-set-up-uart-communication-for-arduino/
- JTAG - JTAGenum with the Arduino - https://github.com/cyphunk/JTAGenum/wiki/Embedded-Analysis#pcb-traces
FT232H
-
Real Hardware Hacking for S$30 or Less - Presented by Joe FitzPatrick - https://www.youtube.com/watch?v=wVPochUgTvw&t=2070s
- A logic analyzer to analyze test points on a board
pulseview - FT232h - A serial interface cable to interact with a console
sudo screen /dev/ttyUSB0 115200 - A JTAG debugger to manipulate code in a live system
./openocd -f interface/ftdi/um232h.cfg -f target/rpi3b.cfg - An SPI firmware dumper to extract firmware
- An SPI firmware writer to write and boot a modified image
- An I2C interface to manipulate configuration bits of a hardware device
- A bit-banging engine to craft hardware protocol packets.
- A logic analyzer to analyze test points on a board
-
apt install:
- sigrok and pulseview
- screen or minicom
- flashrom
- binwalk
- libmpsse
-
Configure UART, JTAG (openOCD), SPI - https://github.com/unprovable/FTDI-Oh-My/tree/master
-
JTAG + UART https://medium.com/@0xNoor/setup-openocd-with-jtag-uart-on-raspberry-pi-4-using-ft232h-da05ca01c693
-
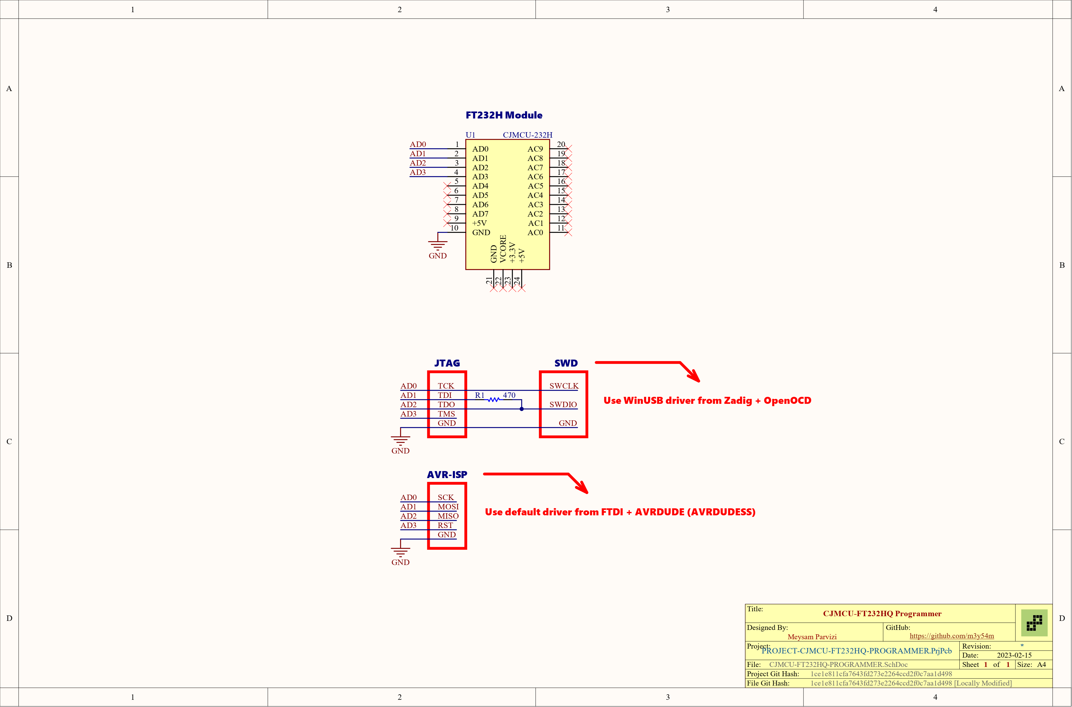
CJMCU FT232HQ https://github.com/m3y54m/cjmcu-ft232hq-programmer?tab=readme-ov-file

Pulseview
- Configure ft232h with sigrok and pulseview https://github.com/hnz1102/ft232hbrkout/tree/main

- CJMCU FT232HQ

- Testing with rpi3 connected to UART pins.

Use the FT232H GPIO
Libraries
- Install libusb
sudo apt-get install libusb-1.0 - Setup udev rules in /etc/udev/rules.d/11-ftdi.rules
# /etc/udev/rules.d/11-ftdi.rules
SUBSYSTEM=="usb", ATTR{idVendor}=="0403", ATTR{idProduct}=="6001", GROUP="plugdev", MODE="0666"
SUBSYSTEM=="usb", ATTR{idVendor}=="0403", ATTR{idProduct}=="6011", GROUP="plugdev", MODE="0666"
SUBSYSTEM=="usb", ATTR{idVendor}=="0403", ATTR{idProduct}=="6010", GROUP="plugdev", MODE="0666"
SUBSYSTEM=="usb", ATTR{idVendor}=="0403", ATTR{idProduct}=="6014", GROUP="plugdev", MODE="0666"
SUBSYSTEM=="usb", ATTR{idVendor}=="0403", ATTR{idProduct}=="6015", GROUP="plugdev", MODE="0666"
-
Install pyftdi
pip3 install pyftdi -
Install Blinka
pip3 install adafruit-blinka -
Set environment variable
export BLINKA_FT232H=1 -
Check pyftdi is installed correctly
from pyftdi.ftdi import Ftdi
Ftdi().open_from_url('ftdi:///?')

Raspberry Pi
- https://di-marco.net/blog/it/2020-06-06-raspberry_pi_3_4_and_0_w_serial_port_usage/
- https://iosoft.blog/2019/01/28/raspberry-pi-openocd/
- Pins Guide https://pinout.xyz/pinout/jtag
- UART on raspberry pi
- https://raspberrypi.stackexchange.com/questions/138658/uart-usage-with-ubuntu-pi3-model-b
- https://raspberrypi.stackexchange.com/questions/45570/how-do-i-make-serial-work-on-the-raspberry-pi3-pizerow-pi4-or-later-models/45571#45571
- https://lancesimms.com/RaspberryPi/HackingRaspberryPi4WithYocto_Part1.html
- https://electronicshacks.com/raspberry-pi-serial-uart-tutorial/
- JTAG on raspberry pi
- https://blog.inoki.cc/2022/02/22/My-journey-on-raspberrypi-jtag-debugging/index.html
- JTAG + UART https://medium.com/@0xNoor/setup-openocd-with-jtag-uart-on-raspberry-pi-4-using-ft232h-da05ca01c693
- https://metebalci.com/blog/bare-metal-raspberry-pi-3b-jtag/
- openOCD -
./openocd -f interface/ftdi/um232h.cfg -f target/rpi3b.cfg - GDB commands
gdb-multiarchset arch armtarget remote localhost:3333x/10i 0xc0136dd4
- FT232h JTAG to Rpi3

Raspberry pi PICO
- Use the PICO as a logic analyzer https://github.com/pico-coder/sigrok-pico/tree/main
- Use the PICO as a oscilloscope https://hackaday.com/2021/06/26/raspberry-pi-pico-oscilloscope/
- Pina PICO https://electrocredible.com/raspberry-pi-pico-serial-uart-micropython/

Hardware to hack
- https://wrongbaud.github.io/sf-slides/ Street Fighter Two Cabinet
- https://voidstarsec.com/blog/intro-to-embedded-part-1
- https://twitter.com/wrongbaud/status/1708613056228422032
- https://arcade1up.com/products/marvel-super-heroes-2-player-counter-cade
- https://www.amazon.com/Arcade-Player-Fully-Multiplayer-Collectible-DGUNL-3283/dp/B08GN32PBV
- https://www.walmart.com/ip/Legends-Flashback-Blast-Space-Invaders-Retro-Gaming-Blue-818858029582/723800567
- BSidesPR 2024 Badge https://github.com/So11Deo6loria/bsidesPRSun Pin 16 17 for UART
- Linksys Wireless-N Range Extender https://fccid.io/Q87-RE3000W